headlight system

Discussion in 'Gen 2 Prius Technical Discussion' started by RALPH STEIN, Feb 2, 2014.

  1. RALPH STEIN

    RALPH STEIN New Member

    Joined:
    Feb 2, 2014
    2
    0
    0
    Vehicle:
    2006 Prius
    Model:
    N/A
    my headlights turn on irregularly, brights on the right side does not light at all, on the left both the low and bright lights go on and off. If I turn the engine off and then on it will sometimes work properly but can stop working irregularly.
     
  2. Britprius

    Britprius Senior Member

    Joined:
    Jun 14, 2010
    5,194
    1,922
    0
    Location:
    Herefordshire England
    Vehicle:
    2008 Prius
    Hi Ralph, welcome to PC.
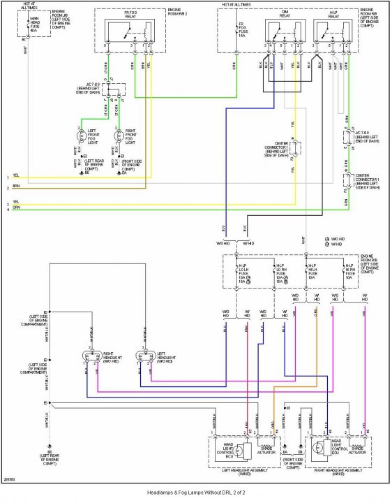
    Below is part of the circuit diagram or your headlamps. The most likely reason for there intermittent operation is one of the two relays on the top right of the diagram. Both these can be found in the fuse box under the bonnet (hood). The high beam (brights) on the right hand side not working is probably the bulb has failed, although another common problem is is the connector to the bulb has burnt contacts due to corrosion.
    There are other reasons why you have this problem such as a poor ground connection (bottom left of diagram) The lamps shown on the bottom right are for HID fitted vehicles that I do not believe your car has, but the first problems listed are the most likely.
    Hope this is of help.

    Headlamps & Fog Lamps wo_DRL 2of2.jpg
    John (Britprius)
     
    RALPH STEIN likes this.
  3. RALPH STEIN

    RALPH STEIN New Member

    Joined:
    Feb 2, 2014
    2
    0
    0
    Vehicle:
    2006 Prius
    Model:
    N/A
    THANK YOU,
    I AM GIVING YOUR ANALYSIS TO MY PRIUS MECHANIC AS THIS MIGHT HELP HIM CORRECT THE PROBLEM.
     
  4. Britprius

    Britprius Senior Member

    Joined:
    Jun 14, 2010
    5,194
    1,922
    0
    Location:
    Herefordshire England
    Vehicle:
    2008 Prius
    Ralph, one of the four fuses being blown shown center right of the diagram could cause the brights on the right not to work, but under normal circumstances these fuses do not blow unless there is some other problem.

    John (Britprius).